李工:138-8949-5179 刘工:135-0428-8802
型号查询
轴承型号   常见搜索: 6909轴承 6008轴承 6032轴承 6014轴承 6013轴承 2025轴承
型号查询 X

轴承专区

Bearings Center

7326 BCBM轴承-SKF 7326 BCBM轴承尺寸、图纸、价格

SKF 7326 BCBM轴承

产品名称:7326 BCBM轴承 品牌:SKF
类型:SKF轴承 > 滚动轴承 > 角接触球轴承
描述:7326 BCBM轴承是【SKF轴承 > 滚动轴承 > 角接触球轴承】的型号,主要用在飞机喷气式发动机、油泵、汽车发动机、机床主轴、振动筛、起重机吊钩、燃机、音像设备、强夯机、坦克等各大领域

 电话/微信:138-8949-5179

SKF 7326 BCBM轴承详细信息

7326 BCBM轴承是【SKF轴承 > 滚动轴承 > 角接触球轴承】的型号,主要用在飞机喷气式发动机、油泵、汽车发动机、机床主轴、振动筛、起重机吊钩、燃机、音像设备、强夯机、坦克等各大领域。

SKF 7326 BCBM轴承详细参数

角接触球轴承, 单列
主要数据尺寸尺寸 [英寸]疲劳负荷限值额定速度体积型号
动态静态参照速度限制速度
dDBCC0Pu
mmkNkNr/minkg-
1302805827630592800280017,17326 BCBM

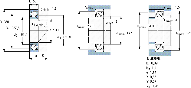
SKF 7326 BCBM轴承尺寸图纸

李工:138-8949-5179

刘工:135-0428-8802

地址:辽宁省大连经济技术开发区现代城3栋-13-13号

在线客服系统