李工:138-8949-5179 刘工:135-0428-8802
型号查询
轴承型号   常见搜索: 6020轴承 7014轴承 32313轴承 6007轴承 71913轴承 6009轴承
型号查询 X

轴承专区

Bearings Center

7312 BEGBY轴承-SKF 7312 BEGBY轴承尺寸、图纸、价格

SKF 7312 BEGBY轴承

产品名称:7312 BEGBY轴承 品牌:SKF
类型:SKF轴承 > 滚动轴承 > 角接触球轴承
描述:7312 BEGBY轴承是【SKF轴承 > 滚动轴承 > 角接触球轴承】的型号,主要用在建筑机械、罗茨鼓风机、压缩机、建筑机械、减速装置、石油钻机转环、成形机、饮料设备、轻工机械、泥炮等各大领域

 电话/微信:138-8949-5179

SKF 7312 BEGBY轴承详细信息

7312 BEGBY轴承是【SKF轴承 > 滚动轴承 > 角接触球轴承】的型号,主要用在建筑机械、罗茨鼓风机、压缩机、建筑机械、减速装置、石油钻机转环、成形机、饮料设备、轻工机械、泥炮等各大领域。

SKF 7312 BEGBY轴承详细参数

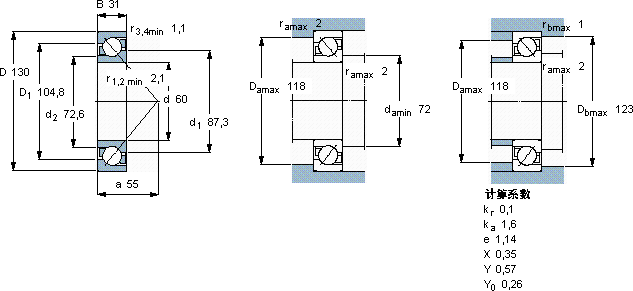
角接触球轴承, 单列
主要数据尺寸尺寸 [英寸]疲劳负荷限值额定速度体积型号
动态静态参照速度限制速度
dDBCC0Pu
mmkNkNr/minkg-
601303195,669,53600060001,757312 BEGBY

SKF 7312 BEGBY轴承尺寸图纸

李工:138-8949-5179

刘工:135-0428-8802

地址:辽宁省大连经济技术开发区现代城3栋-13-13号

在线客服系统