李工:138-8949-5179 刘工:135-0428-8802
型号查询
轴承型号   常见搜索: 22222轴承 6008轴承 6006轴承 6028轴承 6900轴承 6032轴承
型号查询 X

轴承专区

Bearings Center

7310 BEY轴承-SKF 7310 BEY轴承尺寸、图纸、价格

SKF 7310 BEY轴承

产品名称:7310 BEY轴承 品牌:SKF
类型:SKF轴承 > 滚动轴承 > 角接触球轴承
描述:7310 BEY轴承是【SKF轴承 > 滚动轴承 > 角接触球轴承】的型号,主要用在农业机械、燃汽轮机、桥式起重机、后轮、木工机械、石油钻机、钢铁厂、烟草机械、给料机械、刮泥机等各大领域

 电话/微信:138-8949-5179

SKF 7310 BEY轴承详细信息

7310 BEY轴承是【SKF轴承 > 滚动轴承 > 角接触球轴承】的型号,主要用在农业机械、燃汽轮机、桥式起重机、后轮、木工机械、石油钻机、钢铁厂、烟草机械、给料机械、刮泥机等各大领域。

SKF 7310 BEY轴承详细参数

角接触球轴承, 单列
主要数据尺寸尺寸 [英寸]疲劳负荷限值额定速度体积型号
动态静态参照速度限制速度
dDBCC0Pu
mmkNkNr/minkg-
501102774,1512,2750075001,137310 BEY

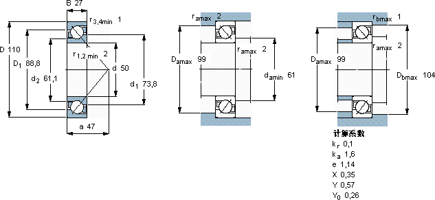
SKF 7310 BEY轴承尺寸图纸

李工:138-8949-5179

刘工:135-0428-8802

地址:辽宁省大连经济技术开发区现代城3栋-13-13号

在线客服系统