李工:138-8949-5179 刘工:135-0428-8802
型号查询
轴承型号   常见搜索: 6011轴承 6013轴承 6900轴承 6004轴承 6017轴承 6021轴承
型号查询 X

轴承专区

Bearings Center

7215 BECBM轴承-SKF 7215 BECBM轴承尺寸、图纸、价格

SKF 7215 BECBM轴承

产品名称:7215 BECBM轴承 品牌:SKF
类型:SKF轴承 > 滚动轴承 > 角接触球轴承
描述:7215 BECBM轴承是【SKF轴承 > 滚动轴承 > 角接触球轴承】的型号,主要用在农业机械、油泵、汽车发动机、机床主轴、造纸机械、石油钻机、钢铁厂、玩具、给料机械、太阳能发电设备等各大领域

 电话/微信:138-8949-5179

SKF 7215 BECBM轴承详细信息

7215 BECBM轴承是【SKF轴承 > 滚动轴承 > 角接触球轴承】的型号,主要用在农业机械、油泵、汽车发动机、机床主轴、造纸机械、石油钻机、钢铁厂、玩具、给料机械、太阳能发电设备等各大领域。

SKF 7215 BECBM轴承详细参数

角接触球轴承, 单列
主要数据尺寸尺寸 [英寸]疲劳负荷限值额定速度体积型号
动态静态参照速度限制速度
dDBCC0Pu
mmkNkNr/minkg-
751302573,565,52,7630063001,297215 BECBM

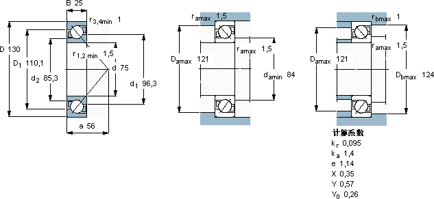
SKF 7215 BECBM轴承尺寸图纸

李工:138-8949-5179

刘工:135-0428-8802

地址:辽宁省大连经济技术开发区现代城3栋-13-13号

在线客服系统