轴承专区
Bearings Center
7200 BECBP轴承-SKF 7200 BECBP轴承尺寸、图纸、价格
SKF 7200 BECBP轴承
| 产品名称: | 7200 BECBP轴承 | 品牌: | SKF |
|---|---|---|---|
| 类型: | SKF轴承 > 滚动轴承 > 角接触球轴承 | ||
| 描述: | 7200 BECBP轴承是【SKF轴承 > 滚动轴承 > 角接触球轴承】的型号,主要用在燃汽轮机、差速器小齿轮轴、中型及大型电动机、小齿轮轴、轧钢机齿轮箱座、机床等的变速装置、电机厂、陶瓷机械、压路机、数控设备等各大领域 | ||
电话/微信:138-8949-5179
SKF 7200 BECBP轴承详细信息
7200 BECBP轴承是【SKF轴承 > 滚动轴承 > 角接触球轴承】的型号,主要用在燃汽轮机、差速器小齿轮轴、中型及大型电动机、小齿轮轴、轧钢机齿轮箱座、机床等的变速装置、电机厂、陶瓷机械、压路机、数控设备等各大领域。
SKF 7200 BECBP轴承详细参数
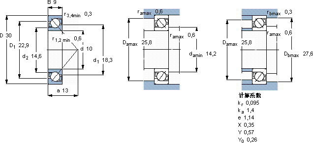
| 角接触球轴承, 单列 | |||||||||||
| 主要数据尺寸 | 尺寸 [英寸] | 疲劳负荷限值 | 额定速度 | 体积 | 型号 | ||||||
| 动态 | 静态 | 参照速度 | 限制速度 | ||||||||
| d | D | B | C | C0 | Pu | ||||||
| mm | kN | kN | r/min | kg | - | ||||||
| 10 | 30 | 9 | 7,02 | 3,35 | 0,14 | 30000 | 30000 | 0,03 | 7200 BECBP | ||
SKF 7200 BECBP轴承尺寸图纸

