李工:138-8949-5179 刘工:135-0428-8802
型号查询
轴承型号   常见搜索: 6005轴承 6011轴承 6008轴承 617轴承 6003轴承 6028轴承
型号查询 X

轴承专区

Bearings Center

70/800 AMB轴承-SKF 70/800 AMB轴承尺寸、图纸、价格

SKF 70/800 AMB轴承

产品名称:70/800 AMB轴承 品牌:SKF
类型:SKF轴承 > 滚动轴承 > 角接触球轴承
描述:70/800 AMB轴承是【SKF轴承 > 滚动轴承 > 角接触球轴承】的型号,主要用在各种产业机械、各类变速器、木工机械、铁路车辆、印刷机械、机床等的变速装置、发电厂、陶瓷机械、压路机、塔式车库等各大领域

 电话/微信:138-8949-5179

SKF 70/800 AMB轴承详细信息

70/800 AMB轴承是【SKF轴承 > 滚动轴承 > 角接触球轴承】的型号,主要用在各种产业机械、各类变速器、木工机械、铁路车辆、印刷机械、机床等的变速装置、发电厂、陶瓷机械、压路机、塔式车库等各大领域。

SKF 70/800 AMB轴承详细参数

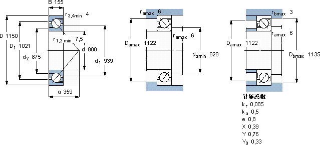
角接触球轴承, 单列
主要数据尺寸尺寸 [英寸]疲劳负荷限值额定速度体积型号
动态静态参照速度限制速度
dDBCC0Pu
mmkNkNr/minkg-
8001150155133038005248050050070/800 AMB

SKF 70/800 AMB轴承尺寸图纸

李工:138-8949-5179

刘工:135-0428-8802

地址:辽宁省大连经济技术开发区现代城3栋-13-13号

在线客服系统