李工:138-8949-5179 刘工:135-0428-8802
型号查询
轴承型号   常见搜索: 6012轴承 7014轴承 6004轴承 6018轴承 6906轴承 6006轴承
型号查询 X

轴承专区

Bearings Center

6406轴承-SKF 6406轴承尺寸、图纸、价格

SKF 6406轴承

产品名称:6406轴承 品牌:SKF
类型:SKF轴承 > 滚动轴承 > 深沟球轴承
描述:6406轴承是【SKF轴承 > 滚动轴承 > 深沟球轴承】的型号,主要用在各种产业机械、各类变速器、纺织机械传动轴、铁路车辆、破碎机、机床等的变速装置、发电厂、制鞋、压路机、塔式车库等各大领域

 电话/微信:138-8949-5179

SKF 6406轴承详细信息

6406轴承是【SKF轴承 > 滚动轴承 > 深沟球轴承】的型号,主要用在各种产业机械、各类变速器、纺织机械传动轴、铁路车辆、破碎机、机床等的变速装置、发电厂、制鞋、压路机、塔式车库等各大领域。

SKF 6406轴承详细参数

深沟球轴承, 单列, 无密封件
主要数据尺寸基本负荷额定值疲劳负荷限值额定速度体积型号
动态静态参照速度限制速度
dDBCC0Pu
mmkNkNr/minkg-
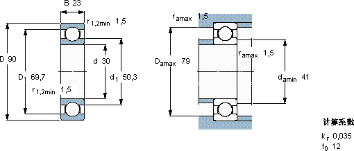
30902343,623,6118000110000,746406

SKF 6406轴承尺寸图纸

李工:138-8949-5179

刘工:135-0428-8802

地址:辽宁省大连经济技术开发区现代城3栋-13-13号

在线客服系统