李工:138-8949-5179 刘工:135-0428-8802
型号查询
轴承型号   常见搜索: 6006轴承 6021轴承 6030轴承 6205轴承 6009轴承 3214轴承
型号查询 X

轴承专区

Bearings Center

6324轴承-SKF 6324轴承尺寸、图纸、价格

SKF 6324轴承

产品名称:6324轴承 品牌:SKF
类型:SKF轴承 > 滚动轴承 > 深沟球轴承
描述:6324轴承是【SKF轴承 > 滚动轴承 > 深沟球轴承】的型号,主要用在各种产业机械、各类变速器、减速装置、铁路车辆、破碎机、机床主轴、发电厂、钟表、混凝土机械、塔式车库等各大领域

 电话/微信:138-8949-5179

SKF 6324轴承详细信息

6324轴承是【SKF轴承 > 滚动轴承 > 深沟球轴承】的型号,主要用在各种产业机械、各类变速器、减速装置、铁路车辆、破碎机、机床主轴、发电厂、钟表、混凝土机械、塔式车库等各大领域。

SKF 6324轴承详细参数

深沟球轴承, 单列, 无密封件
主要数据尺寸基本负荷额定值疲劳负荷限值额定速度体积型号
动态静态参照速度限制速度
dDBCC0Pu
mmkNkNr/minkg-
120260552081865,75600340012,56324

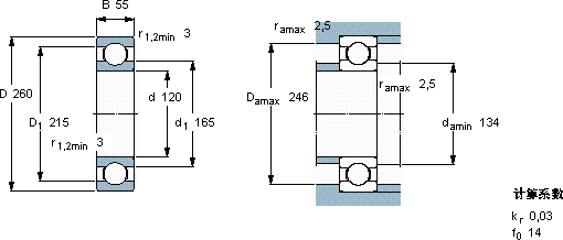
SKF 6324轴承尺寸图纸

李工:138-8949-5179

刘工:135-0428-8802

地址:辽宁省大连经济技术开发区现代城3栋-13-13号

在线客服系统