李工:138-8949-5179 刘工:135-0428-8802
型号查询
轴承型号   常见搜索: 617轴承 6909轴承 6017轴承 6002轴承 6024轴承 6026轴承
型号查询 X

轴承专区

Bearings Center

6316/HC5C3轴承-SKF 6316/HC5C3轴承尺寸、图纸、价格

SKF 6316/HC5C3轴承

产品名称:6316/HC5C3轴承 品牌:SKF
类型:SKF轴承 > 滚动轴承 > 工程产品
描述:6316/HC5C3轴承是【SKF轴承 > 滚动轴承 > 工程产品】的型号,主要用在后轮、小型汽车前轮、燃汽轮机、差速器、振动筛、耕耘机、水力发电机、精细化工机械、平地机、泥炮等各大领域

 电话/微信:138-8949-5179

SKF 6316/HC5C3轴承详细信息

6316/HC5C3轴承是【SKF轴承 > 滚动轴承 > 工程产品】的型号,主要用在后轮、小型汽车前轮、燃汽轮机、差速器、振动筛、耕耘机、水力发电机、精细化工机械、平地机、泥炮等各大领域。

SKF 6316/HC5C3轴承详细参数

深沟球轴承, 单列陶瓷混合轴承, 无密封件
主要数据尺寸基本负荷额定值疲劳负荷限值额定速度体积型号
动态静态参照速度限制速度
dDBCC0Pu
mmkNkNr/minkg-
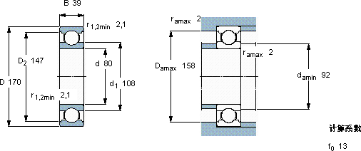
801703913086,53,251200063002,806316/HC5C3

SKF 6316/HC5C3轴承尺寸图纸

李工:138-8949-5179

刘工:135-0428-8802

地址:辽宁省大连经济技术开发区现代城3栋-13-13号

在线客服系统