李工:138-8949-5179 刘工:135-0428-8802
型号查询
轴承型号   常见搜索: 6003轴承 6028轴承 6205轴承 2026轴承 6020轴承 6032轴承
型号查询 X

轴承专区

Bearings Center

6305-2ZNR *轴承-SKF 6305-2ZNR *轴承尺寸、图纸、价格

SKF 6305-2ZNR *轴承

产品名称:6305-2ZNR *轴承 品牌:SKF
类型:SKF轴承 > 滚动轴承 > 深沟球轴承
描述:6305-2ZNR *轴承是【SKF轴承 > 滚动轴承 > 深沟球轴承】的型号,主要用在飞机喷气式发动机、燃汽轮机、木工机械、后轮、振动筛、石油钻机、燃机、医药设备、解体机、钢包回转台等各大领域

 电话/微信:138-8949-5179

SKF 6305-2ZNR *轴承详细信息

6305-2ZNR *轴承是【SKF轴承 > 滚动轴承 > 深沟球轴承】的型号,主要用在飞机喷气式发动机、燃汽轮机、木工机械、后轮、振动筛、石油钻机、燃机、医药设备、解体机、钢包回转台等各大领域。

SKF 6305-2ZNR *轴承详细参数

深沟球轴承, 单列,带止动环槽, 两面防尘罩
主要数据尺寸基本负荷额定值疲劳负荷限值额定速度体积型号
动态静态参照速度限制速度轴承止动环
(R = 带止动环)
dDBCC0Pu * - SKF Explorer 轴承
mmkNkNr/minkg-
25621723,411,60,4924000130000,236305-2ZNR *SP 62

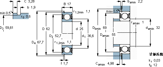
SKF 6305-2ZNR *轴承尺寸图纸

李工:138-8949-5179

刘工:135-0428-8802

地址:辽宁省大连经济技术开发区现代城3栋-13-13号

在线客服系统