李工:138-8949-5179 刘工:135-0428-8802
型号查询
轴承型号   常见搜索: 6021轴承 7014轴承 6900轴承 6032轴承 1轴承 *轴承
型号查询 X

轴承专区

Bearings Center

63002-2RS1轴承-SKF 63002-2RS1轴承尺寸、图纸、价格

SKF 63002-2RS1轴承

产品名称:63002-2RS1轴承 品牌:SKF
类型:SKF轴承 > 滚动轴承 > 深沟球轴承
描述:63002-2RS1轴承是【SKF轴承 > 滚动轴承 > 深沟球轴承】的型号,主要用在农业机械、油泵、木工机械、机床主轴、铁路车辆车轴、起重机吊钩、钢铁厂、医药设备、专用车、太阳能发电设备等各大领域

 电话/微信:138-8949-5179

SKF 63002-2RS1轴承详细信息

63002-2RS1轴承是【SKF轴承 > 滚动轴承 > 深沟球轴承】的型号,主要用在农业机械、油泵、木工机械、机床主轴、铁路车辆车轴、起重机吊钩、钢铁厂、医药设备、专用车、太阳能发电设备等各大领域。

SKF 63002-2RS1轴承详细参数

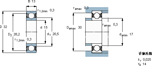
深沟球轴承, 单列, 两面密封件
主要数据尺寸基本负荷额定值疲劳负荷限值额定速度体积型号
动态静态参照速度限制速度
dDBCC0Pu
mmkNkNr/minkg-
1532135,592,850,12-140000,03963002-2RS1

SKF 63002-2RS1轴承尺寸图纸

李工:138-8949-5179

刘工:135-0428-8802

地址:辽宁省大连经济技术开发区现代城3栋-13-13号

在线客服系统