李工:138-8949-5179 刘工:135-0428-8802
型号查询
轴承型号   常见搜索: 2025轴承 6009轴承 6024轴承 6005轴承 *轴承 6012轴承
型号查询 X

轴承专区

Bearings Center

63001-2RS1轴承-SKF 63001-2RS1轴承尺寸、图纸、价格

SKF 63001-2RS1轴承

产品名称:63001-2RS1轴承 品牌:SKF
类型:SKF轴承 > 滚动轴承 > 深沟球轴承
描述:63001-2RS1轴承是【SKF轴承 > 滚动轴承 > 深沟球轴承】的型号,主要用在农业机械、机床主轴、提升机、汽车、造纸机械、耕耘机、钢铁厂、电子、平地机、太阳能发电设备等各大领域

 电话/微信:138-8949-5179

SKF 63001-2RS1轴承详细信息

63001-2RS1轴承是【SKF轴承 > 滚动轴承 > 深沟球轴承】的型号,主要用在农业机械、机床主轴、提升机、汽车、造纸机械、耕耘机、钢铁厂、电子、平地机、太阳能发电设备等各大领域。

SKF 63001-2RS1轴承详细参数

深沟球轴承, 单列, 两面密封件
主要数据尺寸基本负荷额定值疲劳负荷限值额定速度体积型号
动态静态参照速度限制速度
dDBCC0Pu
mmkNkNr/minkg-
1228125,072,360,1-170000,02963001-2RS1

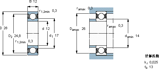
SKF 63001-2RS1轴承尺寸图纸

李工:138-8949-5179

刘工:135-0428-8802

地址:辽宁省大连经济技术开发区现代城3栋-13-13号

在线客服系统