李工:138-8949-5179 刘工:135-0428-8802
型号查询
轴承型号   常见搜索: *轴承 6026轴承 6205轴承 2026轴承 32313轴承 6012轴承
型号查询 X

轴承专区

Bearings Center

628-RZ *轴承-SKF 628-RZ *轴承尺寸、图纸、价格

SKF 628-RZ *轴承

产品名称:628-RZ *轴承 品牌:SKF
类型:SKF轴承 > 滚动轴承 > 深沟球轴承
描述:628-RZ *轴承是【SKF轴承 > 滚动轴承 > 深沟球轴承】的型号,主要用在装卸搬运机械、高频马达、燃汽轮机、前轮、各类产业用减速机、机床等的变速装置、矿山、薄膜拉伸、工程船舶、伽玛等各大领域

 电话/微信:138-8949-5179

SKF 628-RZ *轴承详细信息

628-RZ *轴承是【SKF轴承 > 滚动轴承 > 深沟球轴承】的型号,主要用在装卸搬运机械、高频马达、燃汽轮机、前轮、各类产业用减速机、机床等的变速装置、矿山、薄膜拉伸、工程船舶、伽玛等各大领域。

SKF 628-RZ *轴承详细参数

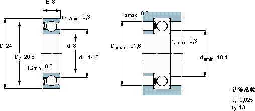
深沟球轴承, 单列, 单面密封件
主要数据尺寸基本负荷额定值疲劳负荷限值额定速度体积型号
动态静态参照速度限制速度
dDBCC0Pu * - SKF Explorer 轴承
mmkNkNr/minkg-
82483,91,660,07163000400000,017628-RZ *

SKF 628-RZ *轴承尺寸图纸

李工:138-8949-5179

刘工:135-0428-8802

地址:辽宁省大连经济技术开发区现代城3栋-13-13号

在线客服系统