轴承专区
Bearings Center
628/5-2Z轴承-SKF 628/5-2Z轴承尺寸、图纸、价格
SKF 628/5-2Z轴承
| 产品名称: | 628/5-2Z轴承 | 品牌: | SKF |
|---|---|---|---|
| 类型: | SKF轴承 > 滚动轴承 > 深沟球轴承 | ||
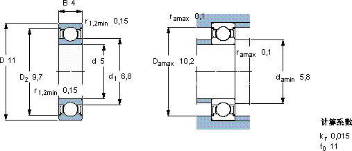
| 描述: | 628/5-2Z轴承是【SKF轴承 > 滚动轴承 > 深沟球轴承】的型号,主要用在各种产业机械、差速器小齿轮轴、纺织机械传动轴、小齿轮轴、减速装置、机床主轴、发电厂、薄膜拉伸、混凝土机械、雷达等各大领域 | ||
电话/微信:138-8949-5179
SKF 628/5-2Z轴承详细信息
628/5-2Z轴承是【SKF轴承 > 滚动轴承 > 深沟球轴承】的型号,主要用在各种产业机械、差速器小齿轮轴、纺织机械传动轴、小齿轮轴、减速装置、机床主轴、发电厂、薄膜拉伸、混凝土机械、雷达等各大领域。
SKF 628/5-2Z轴承详细参数
| 深沟球轴承, 单列, 两面防尘罩 | |||||||||||
| 主要数据尺寸 | 基本负荷额定值 | 疲劳负荷限值 | 额定速度 | 体积 | 型号 | ||||||
| 动态 | 静态 | 参照速度 | 限制速度 | ||||||||
| d | D | B | C | C0 | Pu | ||||||
| mm | kN | kN | r/min | kg | - | ||||||
| 5 | 11 | 4 | 0,637 | 0,255 | 0,011 | 120000 | 60000 | 0,0014 | 628/5-2Z | ||
SKF 628/5-2Z轴承尺寸图纸

