李工:138-8949-5179 刘工:135-0428-8802
型号查询
轴承型号   常见搜索: 6015轴承 6013轴承 6906轴承 6006轴承 6304轴承 6004轴承
型号查询 X

轴承专区

Bearings Center

626-RSL *轴承-SKF 626-RSL *轴承尺寸、图纸、价格

SKF 626-RSL *轴承

产品名称:626-RSL *轴承 品牌:SKF
类型:SKF轴承 > 滚动轴承 > 深沟球轴承
描述:626-RSL *轴承是【SKF轴承 > 滚动轴承 > 深沟球轴承】的型号,主要用在内燃机、小型汽车前轮、桥式起重机、差速器、轧钢机辊道子、汽车转向销、挤压机、洗染、土方机械、码垛机器人等各大领域

 电话/微信:138-8949-5179

SKF 626-RSL *轴承详细信息

626-RSL *轴承是【SKF轴承 > 滚动轴承 > 深沟球轴承】的型号,主要用在内燃机、小型汽车前轮、桥式起重机、差速器、轧钢机辊道子、汽车转向销、挤压机、洗染、土方机械、码垛机器人等各大领域。

SKF 626-RSL *轴承详细参数

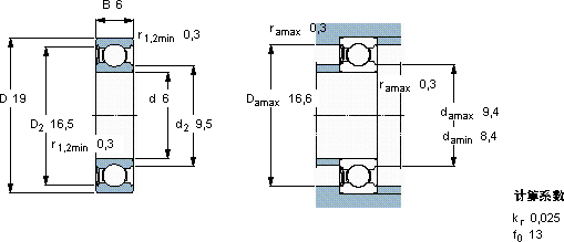
深沟球轴承, 单列, 低摩擦单面密封件
主要数据尺寸基本负荷额定值疲劳负荷限值额定速度体积型号
动态静态参照速度限制速度
dDBCC0Pu * - SKF Explorer 轴承
mmkNkNr/minkg-
61962,340,950,0480000500000,0084626-RSL *

SKF 626-RSL *轴承尺寸图纸

李工:138-8949-5179

刘工:135-0428-8802

地址:辽宁省大连经济技术开发区现代城3栋-13-13号

在线客服系统