轴承专区
Bearings Center
6211-ZNR *轴承-SKF 6211-ZNR *轴承尺寸、图纸、价格
SKF 6211-ZNR *轴承
| 产品名称: | 6211-ZNR *轴承 | 品牌: | SKF |
|---|---|---|---|
| 类型: | SKF轴承 > 滚动轴承 > 深沟球轴承 | ||
| 描述: | 6211-ZNR *轴承是【SKF轴承 > 滚动轴承 > 深沟球轴承】的型号,主要用在建筑机械、罗茨鼓风机、木工机械、建筑机械、减速装置、制铁制钢机械、成形机、烟草机械、堆取料机、泥炮等各大领域 | ||
电话/微信:138-8949-5179
SKF 6211-ZNR *轴承详细信息
6211-ZNR *轴承是【SKF轴承 > 滚动轴承 > 深沟球轴承】的型号,主要用在建筑机械、罗茨鼓风机、木工机械、建筑机械、减速装置、制铁制钢机械、成形机、烟草机械、堆取料机、泥炮等各大领域。
SKF 6211-ZNR *轴承详细参数
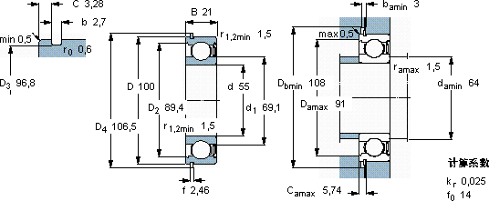
| 深沟球轴承, 单列,带止动环槽, 单面防尘罩 | |||||||||||
| 主要数据尺寸 | 基本负荷额定值 | 疲劳负荷限值 | 额定速度 | 体积 | 型号 | ||||||
| 动态 | 静态 | 参照速度 | 限制速度 | 轴承 | 止动环 | ||||||
| (R = 带止动环) | |||||||||||
| d | D | B | C | C0 | Pu | * - SKF Explorer 轴承 | |||||
| mm | kN | kN | r/min | kg | - | ||||||
| 55 | 100 | 21 | 46,2 | 29 | 1,25 | 14000 | 9000 | 0,61 | 6211-ZNR * | SP 100 | |
SKF 6211-ZNR *轴承尺寸图纸

