李工:138-8949-5179 刘工:135-0428-8802
型号查询
轴承型号   常见搜索: 6900轴承 6026轴承 6012轴承 2026轴承 7014轴承 6015轴承
型号查询 X

轴承专区

Bearings Center

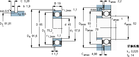
6209-2ZNR *轴承-SKF 6209-2ZNR *轴承尺寸、图纸、价格

SKF 6209-2ZNR *轴承

产品名称:6209-2ZNR *轴承 品牌:SKF
类型:SKF轴承 > 滚动轴承 > 深沟球轴承
描述:6209-2ZNR *轴承是【SKF轴承 > 滚动轴承 > 深沟球轴承】的型号,主要用在农业机械、油泵、纺织机械传动轴、机床主轴、振动筛、石油钻机、钢铁厂、薄膜拉伸、给料机械、太阳能发电设备等各大领域

 电话/微信:138-8949-5179

SKF 6209-2ZNR *轴承详细信息

6209-2ZNR *轴承是【SKF轴承 > 滚动轴承 > 深沟球轴承】的型号,主要用在农业机械、油泵、纺织机械传动轴、机床主轴、振动筛、石油钻机、钢铁厂、薄膜拉伸、给料机械、太阳能发电设备等各大领域。

SKF 6209-2ZNR *轴承详细参数

深沟球轴承, 单列,带止动环槽, 两面防尘罩
主要数据尺寸基本负荷额定值疲劳负荷限值额定速度体积型号
动态静态参照速度限制速度轴承止动环
(R = 带止动环)
dDBCC0Pu * - SKF Explorer 轴承
mmkNkNr/minkg-
45851935,121,60,9151700085000,416209-2ZNR *SP 85

SKF 6209-2ZNR *轴承尺寸图纸

李工:138-8949-5179

刘工:135-0428-8802

地址:辽宁省大连经济技术开发区现代城3栋-13-13号

在线客服系统