李工:138-8949-5179 刘工:135-0428-8802
型号查询
轴承型号   常见搜索: 6012轴承 6022轴承 6019轴承 688a轴承 6001轴承 6011轴承
型号查询 X

轴承专区

Bearings Center

6205-RSH *轴承-SKF 6205-RSH *轴承尺寸、图纸、价格

SKF 6205-RSH *轴承

产品名称:6205-RSH *轴承 品牌:SKF
类型:SKF轴承 > 滚动轴承 > 深沟球轴承
描述:6205-RSH *轴承是【SKF轴承 > 滚动轴承 > 深沟球轴承】的型号,主要用在农业机械、机床主轴、挖土机履带轮、汽车、木工机械、耕耘机、钢铁厂、玩具、地基处理机械、太阳能发电设备等各大领域

 电话/微信:138-8949-5179

SKF 6205-RSH *轴承详细信息

6205-RSH *轴承是【SKF轴承 > 滚动轴承 > 深沟球轴承】的型号,主要用在农业机械、机床主轴、挖土机履带轮、汽车、木工机械、耕耘机、钢铁厂、玩具、地基处理机械、太阳能发电设备等各大领域。

SKF 6205-RSH *轴承详细参数

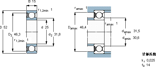
深沟球轴承, 单列, 单面密封件
主要数据尺寸基本负荷额定值疲劳负荷限值额定速度体积型号
动态静态参照速度限制速度
dDBCC0Pu * - SKF Explorer 轴承
mmkNkNr/minkg-
25521514,87,80,335-85000,136205-RSH *

SKF 6205-RSH *轴承尺寸图纸

李工:138-8949-5179

刘工:135-0428-8802

地址:辽宁省大连经济技术开发区现代城3栋-13-13号

在线客服系统