轴承专区
Bearings Center
6202-RSH *轴承-SKF 6202-RSH *轴承尺寸、图纸、价格
SKF 6202-RSH *轴承
| 产品名称: | 6202-RSH *轴承 | 品牌: | SKF |
|---|---|---|---|
| 类型: | SKF轴承 > 滚动轴承 > 深沟球轴承 | ||
| 描述: | 6202-RSH *轴承是【SKF轴承 > 滚动轴承 > 深沟球轴承】的型号,主要用在变速器、印刷机械、减速装置、轧钢机辊颈、印刷机械、制铁制钢机械、立式电动机、化纤机械、堆取料机、吹氧装置等各大领域 | ||
电话/微信:138-8949-5179
SKF 6202-RSH *轴承详细信息
6202-RSH *轴承是【SKF轴承 > 滚动轴承 > 深沟球轴承】的型号,主要用在变速器、印刷机械、减速装置、轧钢机辊颈、印刷机械、制铁制钢机械、立式电动机、化纤机械、堆取料机、吹氧装置等各大领域。
SKF 6202-RSH *轴承详细参数
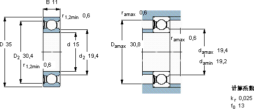
| 深沟球轴承, 单列, 单面密封件 | |||||||||||
| 主要数据尺寸 | 基本负荷额定值 | 疲劳负荷限值 | 额定速度 | 体积 | 型号 | ||||||
| 动态 | 静态 | 参照速度 | 限制速度 | ||||||||
| d | D | B | C | C0 | Pu | * - SKF Explorer 轴承 | |||||
| mm | kN | kN | r/min | kg | - | ||||||
| 15 | 35 | 11 | 8,06 | 3,75 | 0,16 | - | 13000 | 0,045 | 6202-RSH * | ||
SKF 6202-RSH *轴承尺寸图纸

