李工:138-8949-5179 刘工:135-0428-8802
型号查询
轴承型号   常见搜索: 7014轴承 6909轴承 6205轴承 6006轴承 6020轴承 6001轴承
型号查询 X

轴承专区

Bearings Center

61914轴承-SKF 61914轴承尺寸、图纸、价格

SKF 61914轴承

产品名称:61914轴承 品牌:SKF
类型:SKF轴承 > 滚动轴承 > 深沟球轴承
描述:61914轴承是【SKF轴承 > 滚动轴承 > 深沟球轴承】的型号,主要用在家用电器、燃料喷射泵、提升机、齿轮减速装置、铁路车辆车轴、起重机吊钩、塔吊、电子、专用车、冶金起重机等各大领域

 电话/微信:138-8949-5179

SKF 61914轴承详细信息

61914轴承是【SKF轴承 > 滚动轴承 > 深沟球轴承】的型号,主要用在家用电器、燃料喷射泵、提升机、齿轮减速装置、铁路车辆车轴、起重机吊钩、塔吊、电子、专用车、冶金起重机等各大领域。

SKF 61914轴承详细参数

深沟球轴承, 单列, 无密封件
主要数据尺寸基本负荷额定值疲劳负荷限值额定速度体积型号
动态静态参照速度限制速度
dDBCC0Pu
mmkNkNr/minkg-
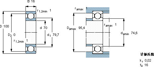
701001623,821,20,91400085000,3561914

SKF 61914轴承尺寸图纸

李工:138-8949-5179

刘工:135-0428-8802

地址:辽宁省大连经济技术开发区现代城3栋-13-13号

在线客服系统