李工:138-8949-5179 刘工:135-0428-8802
型号查询
轴承型号   常见搜索: 6010轴承 6015轴承 617轴承 6909轴承 6024轴承 3214轴承
型号查询 X

轴承专区

Bearings Center

61826轴承-SKF 61826轴承尺寸、图纸、价格

SKF 61826轴承

产品名称:61826轴承 品牌:SKF
类型:SKF轴承 > 滚动轴承 > 深沟球轴承
描述:61826轴承是【SKF轴承 > 滚动轴承 > 深沟球轴承】的型号,主要用在飞机喷气式发动机、燃料喷射泵、汽车发动机、齿轮减速装置、振动筛、石油钻机、燃机、电子、给料机械、厨具设备等各大领域

 电话/微信:138-8949-5179

SKF 61826轴承详细信息

61826轴承是【SKF轴承 > 滚动轴承 > 深沟球轴承】的型号,主要用在飞机喷气式发动机、燃料喷射泵、汽车发动机、齿轮减速装置、振动筛、石油钻机、燃机、电子、给料机械、厨具设备等各大领域。

SKF 61826轴承详细参数

深沟球轴承, 单列, 无密封件
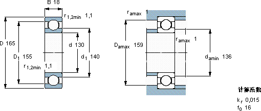
主要数据尺寸基本负荷额定值疲劳负荷限值额定速度体积型号
动态静态参照速度限制速度
dDBCC0Pu
mmkNkNr/minkg-
1301651837,7431,6800048000,9361826

SKF 61826轴承尺寸图纸

李工:138-8949-5179

刘工:135-0428-8802

地址:辽宁省大连经济技术开发区现代城3栋-13-13号

在线客服系统