轴承专区
Bearings Center
61814轴承-SKF 61814轴承尺寸、图纸、价格
SKF 61814轴承
| 产品名称: | 61814轴承 | 品牌: | SKF |
|---|---|---|---|
| 类型: | SKF轴承 > 滚动轴承 > 深沟球轴承 | ||
| 描述: | 61814轴承是【SKF轴承 > 滚动轴承 > 深沟球轴承】的型号,主要用在变速器、罗茨鼓风机、变速器、建筑机械、各类产业用减速机、制铁制钢机械、立式电动机、薄膜拉伸、起重机械、正面吊等各大领域 | ||
电话/微信:138-8949-5179
SKF 61814轴承详细信息
61814轴承是【SKF轴承 > 滚动轴承 > 深沟球轴承】的型号,主要用在变速器、罗茨鼓风机、变速器、建筑机械、各类产业用减速机、制铁制钢机械、立式电动机、薄膜拉伸、起重机械、正面吊等各大领域。
SKF 61814轴承详细参数
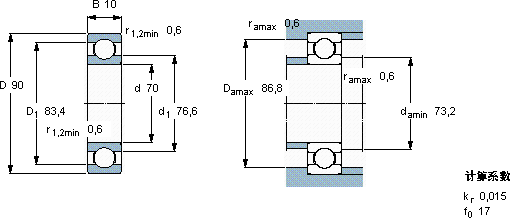
| 深沟球轴承, 单列, 无密封件 | |||||||||||
| 主要数据尺寸 | 基本负荷额定值 | 疲劳负荷限值 | 额定速度 | 体积 | 型号 | ||||||
| 动态 | 静态 | 参照速度 | 限制速度 | ||||||||
| d | D | B | C | C0 | Pu | ||||||
| mm | kN | kN | r/min | kg | - | ||||||
| 70 | 90 | 10 | 12,4 | 13,2 | 0,56 | 15000 | 9000 | 0,14 | 61814 | ||
SKF 61814轴承尺寸图纸

