李工:138-8949-5179 刘工:135-0428-8802
型号查询
轴承型号   常见搜索: 6032轴承 7014轴承 6304轴承 6010轴承 617轴承 6018轴承
型号查询 X

轴承专区

Bearings Center

61810-2RS1轴承-SKF 61810-2RS1轴承尺寸、图纸、价格

SKF 61810-2RS1轴承

产品名称:61810-2RS1轴承 品牌:SKF
类型:SKF轴承 > 滚动轴承 > 深沟球轴承
描述:61810-2RS1轴承是【SKF轴承 > 滚动轴承 > 深沟球轴承】的型号,主要用在变速器、离心分离机、压缩机、变速器、印刷机械、制铁制钢机械、立式电动机、制鞋、起重机械、机械手等各大领域

 电话/微信:138-8949-5179

SKF 61810-2RS1轴承详细信息

61810-2RS1轴承是【SKF轴承 > 滚动轴承 > 深沟球轴承】的型号,主要用在变速器、离心分离机、压缩机、变速器、印刷机械、制铁制钢机械、立式电动机、制鞋、起重机械、机械手等各大领域。

SKF 61810-2RS1轴承详细参数

深沟球轴承, 单列, 两面密封件
主要数据尺寸基本负荷额定值疲劳负荷限值额定速度体积型号
动态静态参照速度限制速度
dDBCC0Pu
mmkNkNr/minkg-
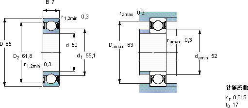
506576,766,80,285-60000,05261810-2RS1

SKF 61810-2RS1轴承尺寸图纸

李工:138-8949-5179

刘工:135-0428-8802

地址:辽宁省大连经济技术开发区现代城3栋-13-13号

在线客服系统