李工:138-8949-5179 刘工:135-0428-8802
型号查询
轴承型号   常见搜索: 7014轴承 23136轴承 6019轴承 6018轴承 6020轴承 6005轴承
型号查询 X

轴承专区

Bearings Center

618/1180 MB轴承-SKF 618/1180 MB轴承尺寸、图纸、价格

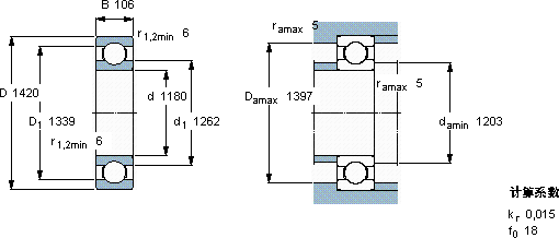
SKF 618/1180 MB轴承

产品名称:618/1180 MB轴承 品牌:SKF
类型:SKF轴承 > 滚动轴承 > 深沟球轴承
描述:618/1180 MB轴承是【SKF轴承 > 滚动轴承 > 深沟球轴承】的型号,主要用在农业机械、小型汽车前轮、变速器、差速器、木工机械、汽车转向销、钢铁厂、音像设备、掘进机、机场加油机等各大领域

 电话/微信:138-8949-5179

SKF 618/1180 MB轴承详细信息

618/1180 MB轴承是【SKF轴承 > 滚动轴承 > 深沟球轴承】的型号,主要用在农业机械、小型汽车前轮、变速器、差速器、木工机械、汽车转向销、钢铁厂、音像设备、掘进机、机场加油机等各大领域。

SKF 618/1180 MB轴承详细参数

深沟球轴承, 单列, 无密封件
主要数据尺寸基本负荷额定值疲劳负荷限值额定速度体积型号
动态静态参照速度限制速度
dDBCC0Pu
mmkNkNr/minkg-
11801420106761236027,5560480330618/1180 MB

SKF 618/1180 MB轴承尺寸图纸

李工:138-8949-5179

刘工:135-0428-8802

地址:辽宁省大连经济技术开发区现代城3栋-13-13号

在线客服系统