李工:138-8949-5179 刘工:135-0428-8802
型号查询
轴承型号   常见搜索: 6024轴承 6014轴承 6003轴承 6016轴承 6309轴承 688a轴承
型号查询 X

轴承专区

Bearings Center

6096 N1MB轴承-SKF 6096 N1MB轴承尺寸、图纸、价格

SKF 6096 N1MB轴承

产品名称:6096 N1MB轴承 品牌:SKF
类型:SKF轴承 > 滚动轴承 > 深沟球轴承
描述:6096 N1MB轴承是【SKF轴承 > 滚动轴承 > 深沟球轴承】的型号,主要用在仪表、高频马达、提升机、前轮、轧钢机齿轮箱座、机床等的变速装置、碾煤机、精细化工机械、工程船舶、厨具设备等各大领域

 电话/微信:138-8949-5179

SKF 6096 N1MB轴承详细信息

6096 N1MB轴承是【SKF轴承 > 滚动轴承 > 深沟球轴承】的型号,主要用在仪表、高频马达、提升机、前轮、轧钢机齿轮箱座、机床等的变速装置、碾煤机、精细化工机械、工程船舶、厨具设备等各大领域。

SKF 6096 N1MB轴承详细参数

深沟球轴承, 单列, 于外圈的一个带定位槽
主要数据尺寸基本负荷额定值疲劳负荷限值额定速度体积型号
动态静态参照速度限制速度
dDBCC0Pu
mmkNkNr/minkg-
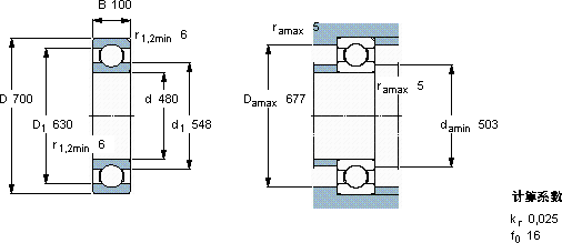
480700100618114020170014001256096 N1MB

SKF 6096 N1MB轴承尺寸图纸

李工:138-8949-5179

刘工:135-0428-8802

地址:辽宁省大连经济技术开发区现代城3栋-13-13号

在线客服系统