李工:138-8949-5179 刘工:135-0428-8802
型号查询
轴承型号   常见搜索: 23136轴承 6007轴承 688a轴承 6005轴承 3214轴承 6009轴承
型号查询 X

轴承专区

Bearings Center

6084 M轴承-SKF 6084 M轴承尺寸、图纸、价格

SKF 6084 M轴承

产品名称:6084 M轴承 品牌:SKF
类型:SKF轴承 > 滚动轴承 > 深沟球轴承
描述:6084 M轴承是【SKF轴承 > 滚动轴承 > 深沟球轴承】的型号,主要用在仪表、印刷机械、挖土机履带轮、轧钢机辊颈、各类产业用减速机、石油钻机转环、碾煤机、薄膜拉伸、轻工机械、钢包回转台等各大领域

 电话/微信:138-8949-5179

SKF 6084 M轴承详细信息

6084 M轴承是【SKF轴承 > 滚动轴承 > 深沟球轴承】的型号,主要用在仪表、印刷机械、挖土机履带轮、轧钢机辊颈、各类产业用减速机、石油钻机转环、碾煤机、薄膜拉伸、轻工机械、钢包回转台等各大领域。

SKF 6084 M轴承详细参数

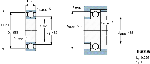
深沟球轴承, 单列, 无密封件
主要数据尺寸基本负荷额定值疲劳负荷限值额定速度体积型号
动态静态参照速度限制速度
dDBCC0Pu
mmkNkNr/minkg-
4206209050788016,32000160091,56084 M

SKF 6084 M轴承尺寸图纸

李工:138-8949-5179

刘工:135-0428-8802

地址:辽宁省大连经济技术开发区现代城3栋-13-13号

在线客服系统