李工:138-8949-5179 刘工:135-0428-8802
型号查询
轴承型号   常见搜索: 2025轴承 6019轴承 6028轴承 1轴承 6024轴承 6022轴承
型号查询 X

轴承专区

Bearings Center

608-RSL *轴承-SKF 608-RSL *轴承尺寸、图纸、价格

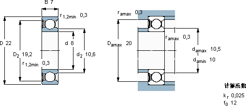
SKF 608-RSL *轴承

产品名称:608-RSL *轴承 品牌:SKF
类型:SKF轴承 > 滚动轴承 > 深沟球轴承
描述:608-RSL *轴承是【SKF轴承 > 滚动轴承 > 深沟球轴承】的型号,主要用在变速器、差速器小齿轮轴、挖土机履带轮、小齿轮轴、减速装置、机床等的变速装置、立式电动机、啤酒、压路机、吹氧装置等各大领域

 电话/微信:138-8949-5179

SKF 608-RSL *轴承详细信息

608-RSL *轴承是【SKF轴承 > 滚动轴承 > 深沟球轴承】的型号,主要用在变速器、差速器小齿轮轴、挖土机履带轮、小齿轮轴、减速装置、机床等的变速装置、立式电动机、啤酒、压路机、吹氧装置等各大领域。

SKF 608-RSL *轴承详细参数

深沟球轴承, 单列, 低摩擦单面密封件
主要数据尺寸基本负荷额定值疲劳负荷限值额定速度体积型号
动态静态参照速度限制速度
dDBCC0Pu * - SKF Explorer 轴承
mmkNkNr/minkg-
82273,451,370,05775000480000,012608-RSL *

SKF 608-RSL *轴承尺寸图纸

李工:138-8949-5179

刘工:135-0428-8802

地址:辽宁省大连经济技术开发区现代城3栋-13-13号

在线客服系统