李工:138-8949-5179 刘工:135-0428-8802
型号查询
轴承型号   常见搜索: 6013轴承 6304轴承 6021轴承 6906轴承 23136轴承 6010轴承
型号查询 X

轴承专区

Bearings Center

608/1000 MB轴承-SKF 608/1000 MB轴承尺寸、图纸、价格

SKF 608/1000 MB轴承

产品名称:608/1000 MB轴承 品牌:SKF
类型:SKF轴承 > 滚动轴承 > 深沟球轴承
描述:608/1000 MB轴承是【SKF轴承 > 滚动轴承 > 深沟球轴承】的型号,主要用在农业机械、燃汽轮机、汽车发动机、后轮、轧钢机辊道子、石油钻机、钢铁厂、制鞋、给料机械、刮泥机等各大领域

 电话/微信:138-8949-5179

SKF 608/1000 MB轴承详细信息

608/1000 MB轴承是【SKF轴承 > 滚动轴承 > 深沟球轴承】的型号,主要用在农业机械、燃汽轮机、汽车发动机、后轮、轧钢机辊道子、石油钻机、钢铁厂、制鞋、给料机械、刮泥机等各大领域。

SKF 608/1000 MB轴承详细参数

深沟球轴承, 单列, 无密封件
主要数据尺寸基本负荷额定值疲劳负荷限值额定速度体积型号
动态静态参照速度限制速度
dDBCC0Pu
mmkNkNr/minkg-
1000122071553156020750600175608/1000 MB

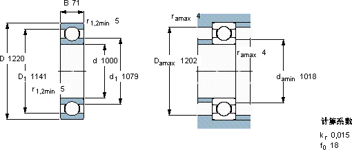
SKF 608/1000 MB轴承尺寸图纸

李工:138-8949-5179

刘工:135-0428-8802

地址:辽宁省大连经济技术开发区现代城3栋-13-13号

在线客服系统