轴承专区
Bearings Center
6030轴承-SKF 6030轴承尺寸、图纸、价格
SKF 6030轴承
| 产品名称: | 6030轴承 | 品牌: | SKF |
|---|---|---|---|
| 类型: | SKF轴承 > 滚动轴承 > 深沟球轴承 | ||
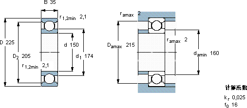
| 描述: | 6030轴承是【SKF轴承 > 滚动轴承 > 深沟球轴承】的型号,主要用在燃汽轮机、离心分离机、挖土机履带轮、变速器、破碎机、石油钻机转环、电机厂、塑料、凿岩机械、抓钢机等各大领域 | ||
电话/微信:138-8949-5179
SKF 6030轴承详细信息
6030轴承是【SKF轴承 > 滚动轴承 > 深沟球轴承】的型号,主要用在燃汽轮机、离心分离机、挖土机履带轮、变速器、破碎机、石油钻机转环、电机厂、塑料、凿岩机械、抓钢机等各大领域。
SKF 6030轴承详细参数
| 深沟球轴承, 单列, 无密封件 | |||||||||||
| 主要数据尺寸 | 基本负荷额定值 | 疲劳负荷限值 | 额定速度 | 体积 | 型号 | ||||||
| 动态 | 静态 | 参照速度 | 限制速度 | ||||||||
| d | D | B | C | C0 | Pu | ||||||
| mm | kN | kN | r/min | kg | - | ||||||
| 150 | 225 | 35 | 125 | 125 | 3,9 | 6000 | 3800 | 4,80 | 6030 | ||
SKF 6030轴承尺寸图纸

