轴承专区
Bearings Center
6028-RS1轴承-SKF 6028-RS1轴承尺寸、图纸、价格
SKF 6028-RS1轴承
| 产品名称: | 6028-RS1轴承 | 品牌: | SKF |
|---|---|---|---|
| 类型: | SKF轴承 > 滚动轴承 > 深沟球轴承 | ||
| 描述: | 6028-RS1轴承是【SKF轴承 > 滚动轴承 > 深沟球轴承】的型号,主要用在内燃机、空气压缩机、中型及大型电动机、大型农业机械、木工机械、汽车转向销、挤压机、烟草机械、土方机械、数控设备等各大领域 | ||
电话/微信:138-8949-5179
SKF 6028-RS1轴承详细信息
6028-RS1轴承是【SKF轴承 > 滚动轴承 > 深沟球轴承】的型号,主要用在内燃机、空气压缩机、中型及大型电动机、大型农业机械、木工机械、汽车转向销、挤压机、烟草机械、土方机械、数控设备等各大领域。
SKF 6028-RS1轴承详细参数
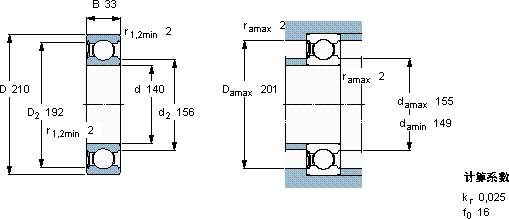
| 深沟球轴承, 单列, 单面密封件 | |||||||||||
| 主要数据尺寸 | 基本负荷额定值 | 疲劳负荷限值 | 额定速度 | 体积 | 型号 | ||||||
| 动态 | 静态 | 参照速度 | 限制速度 | ||||||||
| d | D | B | C | C0 | Pu | ||||||
| mm | kN | kN | r/min | kg | - | ||||||
| 140 | 210 | 33 | 111 | 108 | 3,45 | - | 1800 | 3,35 | 6028-RS1 | ||
SKF 6028-RS1轴承尺寸图纸

