轴承专区
Bearings Center
6014/HC5C3轴承-SKF 6014/HC5C3轴承尺寸、图纸、价格
SKF 6014/HC5C3轴承
| 产品名称: | 6014/HC5C3轴承 | 品牌: | SKF |
|---|---|---|---|
| 类型: | SKF轴承 > 滚动轴承 > 工程产品 | ||
| 描述: | 6014/HC5C3轴承是【SKF轴承 > 滚动轴承 > 工程产品】的型号,主要用在农业机械、机床主轴、木工机械、汽车、铁路车辆车轴、汽车转向销、钢铁厂、饮料设备、土方机械、太阳能发电设备等各大领域 | ||
电话/微信:138-8949-5179
SKF 6014/HC5C3轴承详细信息
6014/HC5C3轴承是【SKF轴承 > 滚动轴承 > 工程产品】的型号,主要用在农业机械、机床主轴、木工机械、汽车、铁路车辆车轴、汽车转向销、钢铁厂、饮料设备、土方机械、太阳能发电设备等各大领域。
SKF 6014/HC5C3轴承详细参数
| 深沟球轴承, 单列陶瓷混合轴承, 无密封件 | ||||||||||
| 主要数据尺寸 | 基本负荷额定值 | 疲劳负荷限值 | 额定速度 | 体积 | 型号 | |||||
| 动态 | 静态 | 参照速度 | 限制速度 | |||||||
| d | D | B | C | C0 | Pu | |||||
| mm | kN | kN | r/min | kg | - | |||||
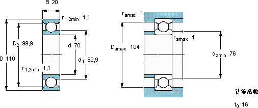
| 70 | 110 | 20 | 39,7 | 31 | 1,32 | 16000 | 9000 | 0,57 | 6014/HC5C3 | |
SKF 6014/HC5C3轴承尺寸图纸

