轴承专区
Bearings Center
6008-2RZTN9/HC5C3WT轴承-SKF 6008-2RZTN9/HC5C3WT轴承尺寸、图纸、价格
SKF 6008-2RZTN9/HC5C3WT轴承
| 产品名称: | 6008-2RZTN9/HC5C3WT轴承 | 品牌: | SKF |
|---|---|---|---|
| 类型: | SKF轴承 > 滚动轴承 > 工程产品 | ||
| 描述: | 6008-2RZTN9/HC5C3WT轴承是【SKF轴承 > 滚动轴承 > 工程产品】的型号,主要用在各种产业机械、印刷机械、木工机械、轧钢机辊颈、各类产业用减速机、制铁制钢机械、发电厂、精细化工机械、堆取料机、雷达等各大领域 | ||
电话/微信:138-8949-5179
SKF 6008-2RZTN9/HC5C3WT轴承详细信息
6008-2RZTN9/HC5C3WT轴承是【SKF轴承 > 滚动轴承 > 工程产品】的型号,主要用在各种产业机械、印刷机械、木工机械、轧钢机辊颈、各类产业用减速机、制铁制钢机械、发电厂、精细化工机械、堆取料机、雷达等各大领域。
SKF 6008-2RZTN9/HC5C3WT轴承详细参数
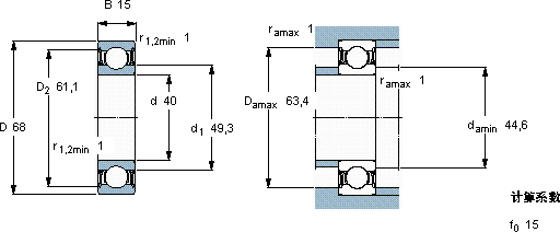
| 深沟球轴承, 单列陶瓷混合轴承, 低摩擦两面密封件 | ||||||||||
| 主要数据尺寸 | 基本负荷额定值 | 疲劳负荷限值 | 额定速度 | 体积 | 型号 | |||||
| 动态 | 静态 | 参照速度 | 限制速度 | |||||||
| d | D | B | C | C0 | Pu | |||||
| mm | kN | kN | r/min | kg | - | |||||
| 40 | 68 | 15 | 17,8 | 11,6 | 0,49 | 28000 | 18000 | 0,19 | 6008-2RZTN9/HC5C3WT | |
SKF 6008-2RZTN9/HC5C3WT轴承尺寸图纸

