李工:138-8949-5179 刘工:135-0428-8802
型号查询
轴承型号   常见搜索: 6007轴承 6026轴承 6019轴承 2026轴承 6017轴承 22222轴承
型号查询 X

轴承专区

Bearings Center

6005-2Z *轴承-SKF 6005-2Z *轴承尺寸、图纸、价格

SKF 6005-2Z *轴承

产品名称:6005-2Z *轴承 品牌:SKF
类型:SKF轴承 > 滚动轴承 > 深沟球轴承
描述:6005-2Z *轴承是【SKF轴承 > 滚动轴承 > 深沟球轴承】的型号,主要用在燃汽轮机、高频马达、桥式起重机、前轮、印刷机械、机床主轴、电机厂、制鞋、挖掘机、码垛机器人等各大领域

 电话/微信:138-8949-5179

SKF 6005-2Z *轴承详细信息

6005-2Z *轴承是【SKF轴承 > 滚动轴承 > 深沟球轴承】的型号,主要用在燃汽轮机、高频马达、桥式起重机、前轮、印刷机械、机床主轴、电机厂、制鞋、挖掘机、码垛机器人等各大领域。

SKF 6005-2Z *轴承详细参数

深沟球轴承, 单列, 两面防尘罩
主要数据尺寸基本负荷额定值疲劳负荷限值额定速度体积型号
动态静态参照速度限制速度
dDBCC0Pu * - SKF Explorer 轴承
mmkNkNr/minkg-
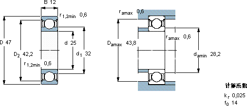
25471211,96,550,27532000160000,0806005-2Z *

SKF 6005-2Z *轴承尺寸图纸

李工:138-8949-5179

刘工:135-0428-8802

地址:辽宁省大连经济技术开发区现代城3栋-13-13号

在线客服系统