李工:138-8949-5179 刘工:135-0428-8802
型号查询
轴承型号   常见搜索: 6309轴承 6032轴承 6018轴承 6205轴承 6214轴承 6007轴承
型号查询 X

轴承专区

Bearings Center

6005 *轴承-SKF 6005 *轴承尺寸、图纸、价格

SKF 6005 *轴承

产品名称:6005 *轴承 品牌:SKF
类型:SKF轴承 > 滚动轴承 > 深沟球轴承
描述:6005 *轴承是【SKF轴承 > 滚动轴承 > 深沟球轴承】的型号,主要用在农业机械、燃料喷射泵、泵、齿轮减速装置、轧钢机辊道子、起重机吊钩、钢铁厂、音像设备、专用车、机场加油机等各大领域

 电话/微信:138-8949-5179

SKF 6005 *轴承详细信息

6005 *轴承是【SKF轴承 > 滚动轴承 > 深沟球轴承】的型号,主要用在农业机械、燃料喷射泵、泵、齿轮减速装置、轧钢机辊道子、起重机吊钩、钢铁厂、音像设备、专用车、机场加油机等各大领域。

SKF 6005 *轴承详细参数

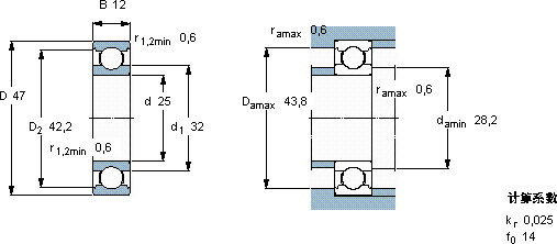
深沟球轴承, 单列, 无密封件
主要数据尺寸基本负荷额定值疲劳负荷限值额定速度体积型号
动态静态参照速度限制速度
dDBCC0Pu * - SKF Explorer 轴承
mmkNkNr/minkg-
25471211,96,550,27532000200000,0806005 *

SKF 6005 *轴承尺寸图纸

李工:138-8949-5179

刘工:135-0428-8802

地址:辽宁省大连经济技术开发区现代城3栋-13-13号

在线客服系统