李工:138-8949-5179 刘工:135-0428-8802
型号查询
轴承型号   常见搜索: 6007轴承 6014轴承 6004轴承 6013轴承 1轴承 71913轴承
型号查询 X

轴承专区

Bearings Center

60/1120 MB轴承-SKF 60/1120 MB轴承尺寸、图纸、价格

SKF 60/1120 MB轴承

产品名称:60/1120 MB轴承 品牌:SKF
类型:SKF轴承 > 滚动轴承 > 深沟球轴承
描述:60/1120 MB轴承是【SKF轴承 > 滚动轴承 > 深沟球轴承】的型号,主要用在装卸搬运机械、离心分离机、汽车发动机、变速器、印刷机械、石油钻机转环、矿山、电子、凿岩机械、摩天轮等各大领域

 电话/微信:138-8949-5179

SKF 60/1120 MB轴承详细信息

60/1120 MB轴承是【SKF轴承 > 滚动轴承 > 深沟球轴承】的型号,主要用在装卸搬运机械、离心分离机、汽车发动机、变速器、印刷机械、石油钻机转环、矿山、电子、凿岩机械、摩天轮等各大领域。

SKF 60/1120 MB轴承详细参数

深沟球轴承, 单列, 无密封件
主要数据尺寸基本负荷额定值疲劳负荷限值额定速度体积型号
动态静态参照速度限制速度
dDBCC0Pu
mmkNkNr/minkg-
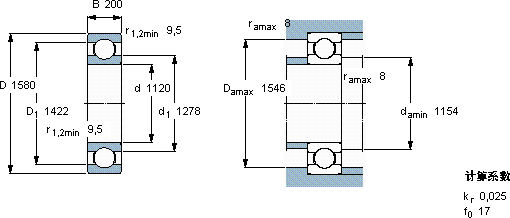
112015802001460440050530450125060/1120 MB

SKF 60/1120 MB轴承尺寸图纸

李工:138-8949-5179

刘工:135-0428-8802

地址:辽宁省大连经济技术开发区现代城3栋-13-13号

在线客服系统