李工:138-8949-5179 刘工:135-0428-8802
型号查询
轴承型号   常见搜索: 6309轴承 6014轴承 6020轴承 3214轴承 6005轴承 7014轴承
型号查询 X

轴承专区

Bearings Center

353102 A轴承-SKF 353102 A轴承尺寸、图纸、价格

SKF 353102 A轴承

产品名称:353102 A轴承 品牌:SKF
类型:SKF轴承 > 滚动轴承 > 圆锥滚子推力轴承
描述:353102 A轴承是【SKF轴承 > 滚动轴承 > 圆锥滚子推力轴承】的型号,主要用在后轮、小型汽车前轮、变速器、差速器、铁路车辆车轴、耕耘机、水力发电机、电子、地基处理机械、泥炮等各大领域

 电话/微信:138-8949-5179

SKF 353102 A轴承详细信息

353102 A轴承是【SKF轴承 > 滚动轴承 > 圆锥滚子推力轴承】的型号,主要用在后轮、小型汽车前轮、变速器、差速器、铁路车辆车轴、耕耘机、水力发电机、电子、地基处理机械、泥炮等各大领域。

SKF 353102 A轴承详细参数

圆锥滚子推力轴承, 双向
主要数据尺寸基本负荷额定值疲劳负荷限值最小负荷系数型号
动态静态
dDHCC0Pu
mmkNkNkg-
320440108990500033548,5353102 A

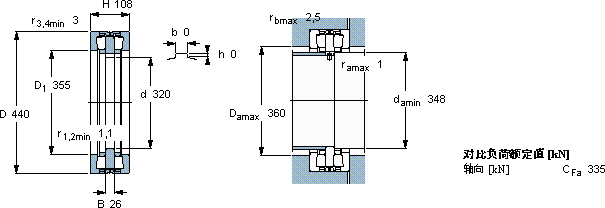
SKF 353102 A轴承尺寸图纸

李工:138-8949-5179

刘工:135-0428-8802

地址:辽宁省大连经济技术开发区现代城3栋-13-13号

在线客服系统