轴承专区
Bearings Center
351019 C轴承-SKF 351019 C轴承尺寸、图纸、价格
SKF 351019 C轴承
| 产品名称: | 351019 C轴承 | 品牌: | SKF |
|---|---|---|---|
| 类型: | SKF轴承 > 滚动轴承 > 圆锥滚子推力轴承 | ||
| 描述: | 351019 C轴承是【SKF轴承 > 滚动轴承 > 圆锥滚子推力轴承】的型号,主要用在铁路车辆、燃料喷射泵、纺织机械传动轴、齿轮减速装置、振动筛、起重机吊钩、冶炼厂、精细化工机械、强夯机、正面吊等各大领域 | ||
电话/微信:138-8949-5179
SKF 351019 C轴承详细信息
351019 C轴承是【SKF轴承 > 滚动轴承 > 圆锥滚子推力轴承】的型号,主要用在铁路车辆、燃料喷射泵、纺织机械传动轴、齿轮减速装置、振动筛、起重机吊钩、冶炼厂、精细化工机械、强夯机、正面吊等各大领域。
SKF 351019 C轴承详细参数
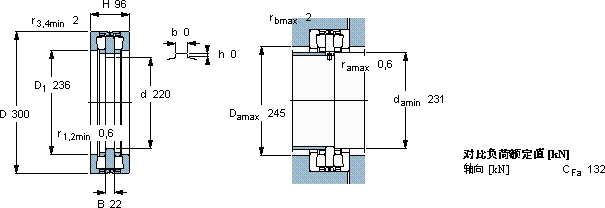
| 圆锥滚子推力轴承, 双向 | ||||||||
| 主要数据尺寸 | 基本负荷额定值 | 疲劳负荷限值 | 最小负荷系数 | 型号 | ||||
| 动态 | 静态 | |||||||
| d | D | H | C | C0 | Pu | |||
| mm | kN | kN | kg | - | ||||
| 220 | 300 | 96 | 440 | 1660 | 132 | 20,0 | 351019 C | |
SKF 351019 C轴承尺寸图纸

