李工:138-8949-5179 刘工:135-0428-8802
型号查询
轴承型号   常见搜索: 6010轴承 688a轴承 22222轴承 6906轴承 6024轴承 6214轴承
型号查询 X

轴承专区

Bearings Center

3320 A轴承-SKF 3320 A轴承尺寸、图纸、价格

SKF 3320 A轴承

产品名称:3320 A轴承 品牌:SKF
类型:SKF轴承 > 滚动轴承 > 角接触球轴承
描述:3320 A轴承是【SKF轴承 > 滚动轴承 > 角接触球轴承】的型号,主要用在飞机喷气式发动机、燃汽轮机、纺织机械传动轴、后轮、轧钢机辊道子、起重机吊钩、燃机、烟草机械、强夯机、钢包回转台等各大领域

 电话/微信:138-8949-5179

SKF 3320 A轴承详细信息

3320 A轴承是【SKF轴承 > 滚动轴承 > 角接触球轴承】的型号,主要用在飞机喷气式发动机、燃汽轮机、纺织机械传动轴、后轮、轧钢机辊道子、起重机吊钩、燃机、烟草机械、强夯机、钢包回转台等各大领域。

SKF 3320 A轴承详细参数

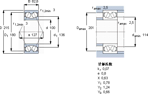
角接触球轴承, 双列, 无密封件
主要数据尺寸基本负荷额定值疲劳负荷限值额定速度体积型号
动态静态参照速度限制速度
dDBCC0Pu
mmkNkNr/minkg-
10021582,62552558,652600280013,53320 A

SKF 3320 A轴承尺寸图纸

李工:138-8949-5179

刘工:135-0428-8802

地址:辽宁省大连经济技术开发区现代城3栋-13-13号

在线客服系统