轴承专区
Bearings Center
33113 R/Q轴承-SKF 33113 R/Q轴承尺寸、图纸、价格
SKF 33113 R/Q轴承
| 产品名称: | 33113 R/Q轴承 | 品牌: | SKF |
|---|---|---|---|
| 类型: | SKF轴承 > 滚动轴承 > 圆锥滚子轴承 | ||
| 描述: | 33113 R/Q轴承是【SKF轴承 > 滚动轴承 > 圆锥滚子轴承】的型号,主要用在内燃机、机床主轴、挖土机履带轮、汽车、铁路车辆车轴、耕耘机、挤压机、饮料设备、平地机、抓钢机等各大领域 | ||
电话/微信:138-8949-5179
SKF 33113 R/Q轴承详细信息
33113 R/Q轴承是【SKF轴承 > 滚动轴承 > 圆锥滚子轴承】的型号,主要用在内燃机、机床主轴、挖土机履带轮、汽车、铁路车辆车轴、耕耘机、挤压机、饮料设备、平地机、抓钢机等各大领域。
SKF 33113 R/Q轴承详细参数
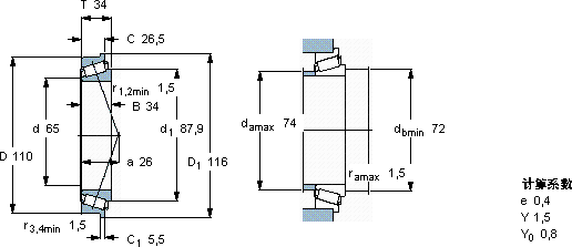
| 圆锥滚子轴承, 单列, 公制轴承, 外圈有挡边 | ||||||||||
| 主要数据尺寸 | 基本负荷额定值 | 疲劳负荷限值 | 额定速度 | 体积 | 型号 | |||||
| 动态 | 静态 | 参照速度 | 限制速度 | |||||||
| d | D | T | C | C0 | Pu | |||||
| mm | kN | kN | r/min | kg | - | |||||
| 65 | 110 | 34 | 142 | 208 | 24 | 4300 | 5600 | 1,30 | 33113 R/Q | |
SKF 33113 R/Q轴承尺寸图纸

