李工:138-8949-5179 刘工:135-0428-8802
型号查询
轴承型号   常见搜索: 6028轴承 6017轴承 71913轴承 6003轴承 2026轴承 6900轴承
型号查询 X

轴承专区

Bearings Center

316737 AB轴承-SKF 316737 AB轴承尺寸、图纸、价格

SKF 316737 AB轴承

产品名称:316737 AB轴承 品牌:SKF
类型:SKF轴承 > 滚动轴承 > 多辊式轧钢机支承轴承
描述:316737 AB轴承是【SKF轴承 > 滚动轴承 > 多辊式轧钢机支承轴承】的型号,主要用在装卸搬运机械、高频马达、变速器、前轮、减速装置、机床主轴、矿山、制鞋、混凝土机械、伽玛等各大领域

 电话/微信:138-8949-5179

SKF 316737 AB轴承详细信息

316737 AB轴承是【SKF轴承 > 滚动轴承 > 多辊式轧钢机支承轴承】的型号,主要用在装卸搬运机械、高频马达、变速器、前轮、减速装置、机床主轴、矿山、制鞋、混凝土机械、伽玛等各大领域。

SKF 316737 AB轴承详细参数

用于多辊轧机的背辊轴承, 用于多辊轧机的背辊轴承
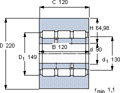
主要数据尺寸基本负荷额定值最大径向负荷体积型号
滚子
动态静态动态静态
DdBCHCC0FrF0r
mmkNkNkg-
2209012012064,9859493045064030,0316737 AB

SKF 316737 AB轴承尺寸图纸

李工:138-8949-5179

刘工:135-0428-8802

地址:辽宁省大连经济技术开发区现代城3栋-13-13号

在线客服系统