李工:138-8949-5179 刘工:135-0428-8802
型号查询
轴承型号   常见搜索: 6006轴承 6013轴承 1轴承 23136轴承 6009轴承 6024轴承
型号查询 X

轴承专区

Bearings Center

316733 DD轴承-SKF 316733 DD轴承尺寸、图纸、价格

SKF 316733 DD轴承

产品名称:316733 DD轴承 品牌:SKF
类型:SKF轴承 > 滚动轴承 > 圆柱滚子轴承
描述:316733 DD轴承是【SKF轴承 > 滚动轴承 > 圆柱滚子轴承】的型号,主要用在变速器、罗茨鼓风机、泵、建筑机械、轧钢机齿轮箱座、制铁制钢机械、立式电动机、啤酒、起重机械、正面吊等各大领域

 电话/微信:138-8949-5179

SKF 316733 DD轴承详细信息

316733 DD轴承是【SKF轴承 > 滚动轴承 > 圆柱滚子轴承】的型号,主要用在变速器、罗茨鼓风机、泵、建筑机械、轧钢机齿轮箱座、制铁制钢机械、立式电动机、啤酒、起重机械、正面吊等各大领域。

SKF 316733 DD轴承详细参数

圆柱滚子轴承, 剖分式单列
主要数据尺寸基本负荷额定值疲劳负荷限值径向内部游隙体积型号
动态静态
dDBCCC0Pu最小最大
mmkNkNmmkg-
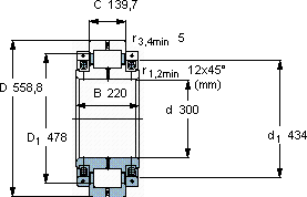
300558,8220139,7233032502800,130,205210316733 DD

SKF 316733 DD轴承尺寸图纸

李工:138-8949-5179

刘工:135-0428-8802

地址:辽宁省大连经济技术开发区现代城3栋-13-13号

在线客服系统