李工:138-8949-5179 刘工:135-0428-8802
型号查询
轴承型号   常见搜索: 688a轴承 6012轴承 32313轴承 6017轴承 6309轴承 71913轴承
型号查询 X

轴承专区

Bearings Center

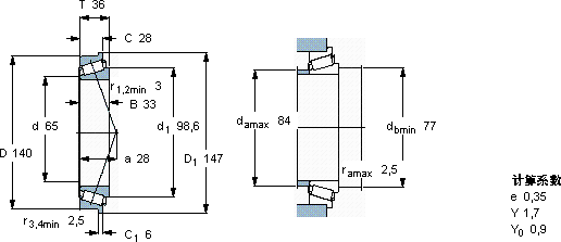
30313 RJ2轴承-SKF 30313 RJ2轴承尺寸、图纸、价格

SKF 30313 RJ2轴承

产品名称:30313 RJ2轴承 品牌:SKF
类型:SKF轴承 > 滚动轴承 > 圆锥滚子轴承
描述:30313 RJ2轴承是【SKF轴承 > 滚动轴承 > 圆锥滚子轴承】的型号,主要用在后轮、空气压缩机、燃汽轮机、大型农业机械、造纸机械、耕耘机、水力发电机、玩具、地基处理机械、焊接机器人等各大领域

 电话/微信:138-8949-5179

SKF 30313 RJ2轴承详细信息

30313 RJ2轴承是【SKF轴承 > 滚动轴承 > 圆锥滚子轴承】的型号,主要用在后轮、空气压缩机、燃汽轮机、大型农业机械、造纸机械、耕耘机、水力发电机、玩具、地基处理机械、焊接机器人等各大领域。

SKF 30313 RJ2轴承详细参数

圆锥滚子轴承, 单列, 公制轴承, 外圈有挡边
主要数据尺寸基本负荷额定值疲劳负荷限值额定速度体积型号
动态静态参照速度限制速度
dDTCC0Pu
mmkNkNr/minkg-
651403619422827,5360048002,4030313 RJ2

SKF 30313 RJ2轴承尺寸图纸

李工:138-8949-5179

刘工:135-0428-8802

地址:辽宁省大连经济技术开发区现代城3栋-13-13号

在线客服系统