李工:138-8949-5179 刘工:135-0428-8802
型号查询
轴承型号   常见搜索: 6906轴承 6015轴承 6013轴承 6900轴承 6030轴承 32313轴承
型号查询 X

轴承专区

Bearings Center

2 x 7240 BCBM轴承-SKF 2 x 7240 BCBM轴承尺寸、图纸、价格

SKF 2 x 7240 BCBM轴承

产品名称:2 x 7240 BCBM轴承 品牌:SKF
类型:SKF轴承 > 滚动轴承 > 角接触球轴承
描述:2 x 7240 BCBM轴承是【SKF轴承 > 滚动轴承 > 角接触球轴承】的型号,主要用在后轮、空气压缩机、纺织机械传动轴、大型农业机械、轧钢机辊道子、汽车转向销、水力发电机、啤酒、土方机械、焊接机器人等各大领域

 电话/微信:138-8949-5179

SKF 2 x 7240 BCBM轴承详细信息

2 x 7240 BCBM轴承是【SKF轴承 > 滚动轴承 > 角接触球轴承】的型号,主要用在后轮、空气压缩机、纺织机械传动轴、大型农业机械、轧钢机辊道子、汽车转向销、水力发电机、啤酒、土方机械、焊接机器人等各大领域。

SKF 2 x 7240 BCBM轴承详细参数

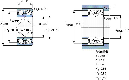
角接触球轴承, 单列,用于配对安装, 面对面配对
主要数据尺寸基本负荷额定值疲劳负荷限值额定速度体积型号轴承配对
动态静态参照速度限制速度
dD2BCC0Pu
mmkNkNr/minkg--
200360116527865221400200050,02 × 7240 BCBMDF

SKF 2 x 7240 BCBM轴承尺寸图纸

李工:138-8949-5179

刘工:135-0428-8802

地址:辽宁省大连经济技术开发区现代城3栋-13-13号

在线客服系统