李工:138-8949-5179 刘工:135-0428-8802
型号查询
轴承型号   常见搜索: 6032轴承 6013轴承 6005轴承 6021轴承 23136轴承 6010轴承
型号查询 X

轴承专区

Bearings Center

2 x 7205 BEGCP *轴承-SKF 2 x 7205 BEGCP *轴承尺寸、图纸、价格

SKF 2 x 7205 BEGCP *轴承

产品名称:2 x 7205 BEGCP *轴承 品牌:SKF
类型:SKF轴承 > 滚动轴承 > 角接触球轴承
描述:2 x 7205 BEGCP *轴承是【SKF轴承 > 滚动轴承 > 角接触球轴承】的型号,主要用在后轮、燃汽轮机、提升机、后轮、木工机械、石油钻机、水力发电机、破碎、给料机械、焊接机器人等各大领域

 电话/微信:138-8949-5179

SKF 2 x 7205 BEGCP *轴承详细信息

2 x 7205 BEGCP *轴承是【SKF轴承 > 滚动轴承 > 角接触球轴承】的型号,主要用在后轮、燃汽轮机、提升机、后轮、木工机械、石油钻机、水力发电机、破碎、给料机械、焊接机器人等各大领域。

SKF 2 x 7205 BEGCP *轴承详细参数

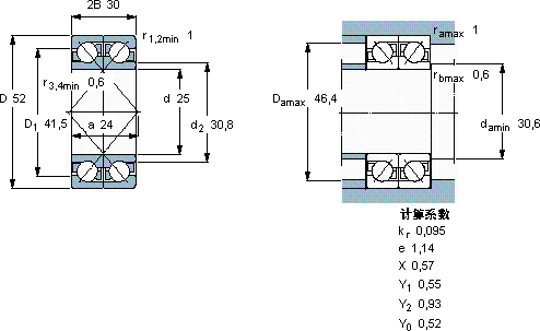
角接触球轴承, 单列,用于配对安装, 面对面配对
主要数据尺寸基本负荷额定值疲劳负荷限值额定速度体积型号轴承配对
动态静态参照速度限制速度
dD2BCC0Pu * - SKF Explorer 轴承
mmkNkNr/minkg--
25523025,5200,8513000170000,262 × 7205 BEGCP *DF

SKF 2 x 7205 BEGCP *轴承尺寸图纸

李工:138-8949-5179

刘工:135-0428-8802

地址:辽宁省大连经济技术开发区现代城3栋-13-13号

在线客服系统