李工:138-8949-5179 刘工:135-0428-8802
型号查询
轴承型号   常见搜索: 6009轴承 6001轴承 6019轴承 6013轴承 6309轴承 6032轴承
型号查询 X

轴承专区

Bearings Center

2 x 7204 BEGAP *轴承-SKF 2 x 7204 BEGAP *轴承尺寸、图纸、价格

SKF 2 x 7204 BEGAP *轴承

产品名称:2 x 7204 BEGAP *轴承 品牌:SKF
类型:SKF轴承 > 滚动轴承 > 角接触球轴承
描述:2 x 7204 BEGAP *轴承是【SKF轴承 > 滚动轴承 > 角接触球轴承】的型号,主要用在通用电动机、印刷机械、提升机、轧钢机辊颈、各类产业用减速机、制铁制钢机械、轧钢机轧制螺杆用减速机、制鞋、堆取料机、刮泥机等各大领域

 电话/微信:138-8949-5179

SKF 2 x 7204 BEGAP *轴承详细信息

2 x 7204 BEGAP *轴承是【SKF轴承 > 滚动轴承 > 角接触球轴承】的型号,主要用在通用电动机、印刷机械、提升机、轧钢机辊颈、各类产业用减速机、制铁制钢机械、轧钢机轧制螺杆用减速机、制鞋、堆取料机、刮泥机等各大领域。

SKF 2 x 7204 BEGAP *轴承详细参数

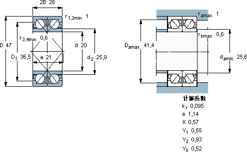
角接触球轴承, 单列,用于配对安装, 面对面配对
主要数据尺寸基本负荷额定值疲劳负荷限值额定速度体积型号轴承配对
动态静态参照速度限制速度
dD2BCC0Pu * - SKF Explorer 轴承
mmkNkNr/minkg--
20472823,216,30,6915000190000,222 × 7204 BEGAP *DF

SKF 2 x 7204 BEGAP *轴承尺寸图纸

李工:138-8949-5179

刘工:135-0428-8802

地址:辽宁省大连经济技术开发区现代城3栋-13-13号

在线客服系统