轴承专区
Bearings Center
29268轴承-SKF 29268轴承尺寸、图纸、价格
SKF 29268轴承
| 产品名称: | 29268轴承 | 品牌: | SKF |
|---|---|---|---|
| 类型: | SKF轴承 > 滚动轴承 > 球面滚子推力轴承 | ||
| 描述: | 29268轴承是【SKF轴承 > 滚动轴承 > 球面滚子推力轴承】的型号,主要用在通用电动机、印刷机械、减速装置、轧钢机辊颈、印刷机械、石油钻机转环、轧钢机轧制螺杆用减速机、化纤机械、轻工机械、刮泥机等各大领域 | ||
电话/微信:138-8949-5179
SKF 29268轴承详细信息
29268轴承是【SKF轴承 > 滚动轴承 > 球面滚子推力轴承】的型号,主要用在通用电动机、印刷机械、减速装置、轧钢机辊颈、印刷机械、石油钻机转环、轧钢机轧制螺杆用减速机、化纤机械、轻工机械、刮泥机等各大领域。
SKF 29268轴承详细参数
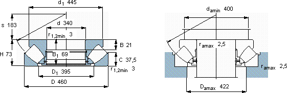
| 球面滚子推力轴承, 球面滚子推力轴承 | |||||||||||
| 主要数据尺寸 | 尺寸 [英寸] | 疲劳负荷限值 | 最小负荷系数 | 额定速度 | 体积 | 型号 | |||||
| 动态 | 静态 | 参照速度 | 限制速度 | ||||||||
| d | D | H | C | C0 | Pu | ||||||
| mm | kN | kN | - | r/min | kg | - | |||||
| 340 | 460 | 73 | 1130 | 5400 | 480 | 2,8 | 850 | 1300 | 33,5 | 29268 | |
SKF 29268轴承尺寸图纸

