李工:138-8949-5179 刘工:135-0428-8802
型号查询
轴承型号   常见搜索: 688a轴承 6008轴承 6010轴承 6003轴承 6005轴承 6001轴承
型号查询 X

轴承专区

Bearings Center

24196 ECA/W33 *轴承-SKF 24196 ECA/W33 *轴承尺寸、图纸、价格

SKF 24196 ECA/W33 *轴承

产品名称:24196 ECA/W33 *轴承 品牌:SKF
类型:SKF轴承 > 滚动轴承 > 球面滚子轴承
描述:24196 ECA/W33 *轴承是【SKF轴承 > 滚动轴承 > 球面滚子轴承】的型号,主要用在农业机械、小型汽车前轮、挖土机履带轮、差速器、造纸机械、耕耘机、钢铁厂、饮料设备、地基处理机械、机场加油机等各大领域

 电话/微信:138-8949-5179

SKF 24196 ECA/W33 *轴承详细信息

24196 ECA/W33 *轴承是【SKF轴承 > 滚动轴承 > 球面滚子轴承】的型号,主要用在农业机械、小型汽车前轮、挖土机履带轮、差速器、造纸机械、耕耘机、钢铁厂、饮料设备、地基处理机械、机场加油机等各大领域。

SKF 24196 ECA/W33 *轴承详细参数

球面滚子轴承, 圆柱和圆锥孔, 圆柱型内孔, 无密封件
主要数据尺寸基本负荷额定值疲劳负荷限值额定速度体积型号
动态静态参照速度限制速度
dDBCC0Pu * - SKF Explorer 轴承
mmkNkNr/minkg-
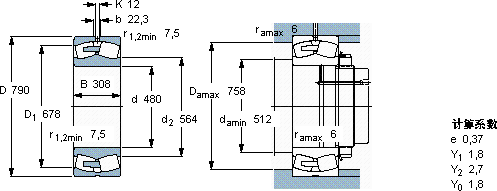
480790308900015600104034063060524196 ECA/W33 *

SKF 24196 ECA/W33 *轴承尺寸图纸

李工:138-8949-5179

刘工:135-0428-8802

地址:辽宁省大连经济技术开发区现代城3栋-13-13号

在线客服系统