李工:138-8949-5179 刘工:135-0428-8802
型号查询
轴承型号   常见搜索: 6015轴承 6016轴承 6011轴承 6002轴承 6900轴承 6032轴承
型号查询 X

轴承专区

Bearings Center

24028 CCK30/W33 + AH 24028 *轴承-SKF 24028 CCK30/W33 + AH 24028 *轴承尺寸、图纸、价格

SKF 24028 CCK30/W33 + AH 24028 *轴承

产品名称:24028 CCK30/W33 + AH 24028 *轴承 品牌:SKF
类型:SKF轴承 > 滚动轴承 > 球面滚子轴承
描述:24028 CCK30/W33 + AH 24028 *轴承是【SKF轴承 > 滚动轴承 > 球面滚子轴承】的型号,主要用在后轮、油泵、挖土机履带轮、机床主轴、轧钢机辊道子、石油钻机、水力发电机、医药设备、给料机械、港口起重机等各大领域

 电话/微信:138-8949-5179

SKF 24028 CCK30/W33 + AH 24028 *轴承详细信息

24028 CCK30/W33 + AH 24028 *轴承是【SKF轴承 > 滚动轴承 > 球面滚子轴承】的型号,主要用在后轮、油泵、挖土机履带轮、机床主轴、轧钢机辊道子、石油钻机、水力发电机、医药设备、给料机械、港口起重机等各大领域。

SKF 24028 CCK30/W33 + AH 24028 *轴承详细参数

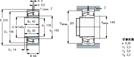
球面滚子轴承, 带退卸套的
主要数据尺寸基本负荷额定值疲劳负荷限值额定速度体积型号
动态静态参照速度限制速度轴承 +退卸套
d1DBCC0Pu
* - SKF Explorer 轴承
mmkNkNr/minkg-
1352106957090088200028009,2024028 CCK30/W33 + AH 24028 *

SKF 24028 CCK30/W33 + AH 24028 *轴承尺寸图纸

李工:138-8949-5179

刘工:135-0428-8802

地址:辽宁省大连经济技术开发区现代城3栋-13-13号

在线客服系统