轴承专区
Bearings Center
23952 CCK/W33 + OH 3952 H轴承-SKF 23952 CCK/W33 + OH 3952 H轴承尺寸、图纸、价格
SKF 23952 CCK/W33 + OH 3952 H轴承
| 产品名称: | 23952 CCK/W33 + OH 3952 H轴承 | 品牌: | SKF |
|---|---|---|---|
| 类型: | SKF轴承 > 滚动轴承 > 球面滚子轴承 | ||
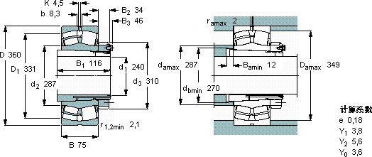
| 描述: | 23952 CCK/W33 + OH 3952 H轴承是【SKF轴承 > 滚动轴承 > 球面滚子轴承】的型号,主要用在家用电器、燃料喷射泵、纺织机械传动轴、齿轮减速装置、造纸机械、起重机吊钩、塔吊、薄膜拉伸、强夯机、冶金起重机等各大领域 | ||
电话/微信:138-8949-5179
SKF 23952 CCK/W33 + OH 3952 H轴承详细信息
23952 CCK/W33 + OH 3952 H轴承是【SKF轴承 > 滚动轴承 > 球面滚子轴承】的型号,主要用在家用电器、燃料喷射泵、纺织机械传动轴、齿轮减速装置、造纸机械、起重机吊钩、塔吊、薄膜拉伸、强夯机、冶金起重机等各大领域。
SKF 23952 CCK/W33 + OH 3952 H轴承详细参数
| 球面滚子轴承, 带紧定套的 | ||||||||||
| 主要数据尺寸 | 基本负荷额定值 | 疲劳负荷限值 | 额定速度 | 体积 | 型号 | |||||
| 动态 | 静态 | 参照速度 | 限制速度 | 轴承 + 紧定套 | ||||||
| d1 | D | B | C | C0 | Pu | |||||
| mm | kN | kN | r/min | kg | - | |||||
| 240 | 360 | 75 | 880 | 1800 | 156 | 1500 | 1900 | 35,0 | 23952 CCK/W33 + OH 3952 H | |
SKF 23952 CCK/W33 + OH 3952 H轴承尺寸图纸

