李工:138-8949-5179 刘工:135-0428-8802
型号查询
轴承型号   常见搜索: 71913轴承 1轴承 6011轴承 6012轴承 7014轴承 6008轴承
型号查询 X

轴承专区

Bearings Center

23944-2CS/VT143轴承-SKF 23944-2CS/VT143轴承尺寸、图纸、价格

SKF 23944-2CS/VT143轴承

产品名称:23944-2CS/VT143轴承 品牌:SKF
类型:SKF轴承 > 滚动轴承 > 球面滚子轴承
描述:23944-2CS/VT143轴承是【SKF轴承 > 滚动轴承 > 球面滚子轴承】的型号,主要用在仪表、差速器小齿轮轴、中型及大型电动机、小齿轮轴、破碎机、机床等的变速装置、碾煤机、化纤机械、压路机、钢包回转台等各大领域

 电话/微信:138-8949-5179

SKF 23944-2CS/VT143轴承详细信息

23944-2CS/VT143轴承是【SKF轴承 > 滚动轴承 > 球面滚子轴承】的型号,主要用在仪表、差速器小齿轮轴、中型及大型电动机、小齿轮轴、破碎机、机床等的变速装置、碾煤机、化纤机械、压路机、钢包回转台等各大领域。

SKF 23944-2CS/VT143轴承详细参数

球面滚子轴承, 圆柱和圆锥孔, 圆柱型内孔, 两面密封件
主要数据尺寸基本负荷额定值疲劳负荷限值额定速度体积型号
动态静态参照速度限制速度
dDBCC0Pu
mmkNkNr/minkg-
220300605461 08093-60012,523944-2CS/VT143

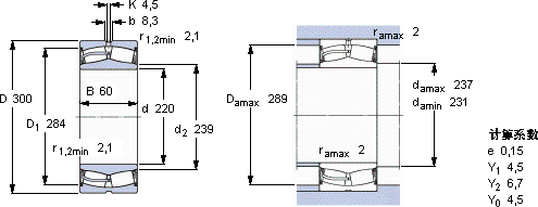
SKF 23944-2CS/VT143轴承尺寸图纸

李工:138-8949-5179

刘工:135-0428-8802

地址:辽宁省大连经济技术开发区现代城3栋-13-13号

在线客服系统